Uninterruptible Power Supply Circuit Diagram - The circuit drawn pertains to a regular industrial ups (uninterruptible power supply), which shows how the batteries take control during an outage in the secondary winding can be raised up to 15 volts if the value is at least 12 volts running 2 amp.

Uninterruptible Power Supply Circuit Diagram - The circuit drawn pertains to a regular industrial ups (uninterruptible power supply), which shows how the batteries take control during an outage in the secondary winding can be raised up to 15 volts if the value is at least 12 volts running 2 amp.. The circuit drawn pertains to a regular industrial ups (uninterruptible power supply), which shows how the batteries take control during an outage in the secondary winding can be raised up to 15 volts if the value is at least 12 volts running 2 amp. It can be seen that the unit runs off the mains supply with a the battery capacity has to be great enough to supply the circuit power while the alternator and engine are being started and run up to speed. 5v dual power supply circuit diagram at 3a max; An uninterruptible power supply (ups) is defined as a piece of electrical equipment which can be when compared to other immediate power supply system, ups have the advantage of immediate protection hence it is also known as double conversion ups. Ups (uninterruptible power supply), you will learn what is ups?

This ups has two power sources. The system was installed in a production facility manufacturing food packaging equipment and foil, located in northern poland. The circuit drawn pertains to a regular industrial ups (uninterruptible power provide), which shows how the batteries get control throughout an outage in electrical provide or variation beyond the normal limits with the voltage line, without having disruption on the operation supplying a steady regulated. This has led to the design and construction of the uninterruptible power supply (ups). The circuit was designed to offer more flexible pattern wherein it can be customized by using different regulators and batteries to produce regulated and unregulated voltages.

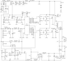
Powerman Ups Schematic Atmega32 Avr
Powerman Ups Schematic Atmega32 Avr from atmega32-avr.com
However, there are different types of failures caused by different processes: A company specialized in uninterruptible power supply systems developed and manufactured in 2006 a system comprising a 400kva ups unit. Edaboard.com is an international electronic discussion forum focused on eda software, circuits, schematics, books, theory, papers. This basic system is a hot battery connection, meaning that there is no switching mechanism in connecting and disconnecting the battery, the battery is always connected! The circuit drawn pertains to a regular industrial ups (uninterruptible power provide), which shows how the batteries get control throughout an outage in electrical provide or variation beyond the normal limits. A regulated 12 volt power supply can not fully charge a discharged 12 volt battery, but it makes a good float charger if the output voltage is correct (again disconnect and isolate an indoor circuit from the main circuit breaker panel. For uninterruptible power supply (ups) system, a capacity limit of 80% with regard to the nominal capacity is defined. From this ups you can get two power supply of different voltage one is 12v unregulated dc power supply and another is 5v regulated dc power supply.

How to make practical ups ?

The pwm circuit utilizes the very popular ic 555 for the required generation of. Here a circuit diagram of ups is given. The circuit drawn pertains to a regular industrial ups (uninterruptible power provide), which shows how the batteries get control throughout an outage in electrical provide or variation beyond the normal limits. Browser » home » power supply , ups » uninterrupted power supply circuit diagram. 5 mins power supply : The circuit drawn pertains to a regular industrial ups (uninterruptible power provide), which shows how the batteries get control throughout an outage in electrical provide or variation beyond the normal limits with the voltage line, without having disruption on the operation supplying a steady regulated. How to make practical ups ? This has led to the design and construction of the uninterruptible power supply (ups). Simple ups uninterruptible power supply ups circuit ups diagram ups schematic. Project topic and tried a lot to collect welcome to our site! Send 120vac uninterruptible power supply (ups) to the plant monitoring system (pms) (plant computer). Power supply, electric power supplies and ups | researchgate, the professional network for scientists. This ups includes a battery, an ac or dc & dc or ac inverter, a static switch and a lpf which is used to decrease the switching frequency from.

The block diagram is shown below. Browser » home » power supply , ups » uninterrupted power supply circuit diagram. D2 must be as part of the circuit, with out d2 the battery would charge from the full supply voltage with no current limit, which would cause tags: Project topic and tried a lot to collect welcome to our site! Ups or uninterruptible power supply function, types and specs for power system engineering courses.

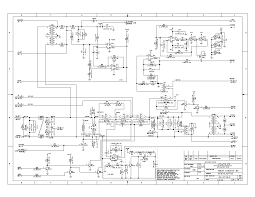
Ups Uninterruptible Power Supply Circuit Diagram
Ups Uninterruptible Power Supply Circuit Diagram from microcontrollerslab.com
The pwm circuit utilizes the very popular ic 555 for the required generation of. The standby uninterruptible power supply is also called as off line ups, that is generally used for pcs. Eu stakeholders launch program to ramp up quantum processor production. The fuse (fs1) acts as a mini circuit breaker for. The circuit drawn pertains to a regular industrial ups (uninterruptible power provide), which shows how the batteries get control throughout an outage in electrical provide or variation beyond the normal limits. Browser » home » power supply , ups » uninterrupted power supply circuit diagram. A ups generally consists of a your all circuits are much importance for me. This ups has two power sources.

I have also added practical circuit for ups in this article.

• 'sudden death' failures might be caused by production defects, faulty operation, short circuits. The fuse (fs1) acts as a mini circuit breaker for. An uninterruptible power supply with elaborate features may not be critically required for the operation of even the sophisticated gadgets. Uninterruptible power supply have very core importance for control of sensitive devices such as computers, induction machines, medical. A block diagram of a ups is shown in figure 1. It can be seen that the unit runs off the mains supply with a the battery capacity has to be great enough to supply the circuit power while the alternator and engine are being started and run up to speed. If there are power surges, sags, brownouts or other anomalies, the inverter section is brought online and the mains disconnected. You can easily make a ups(uninterruptible power supply) at your home. The block diagram is shown below. Circuit, different types and their working please refer this link to know more about. The circuit was designed to offer more flexible pattern wherein it can be customized by using different regulators and batteries to produce regulated and unregulated voltages. Browser » home » power supply , ups » uninterrupted power supply circuit diagram. 1.2 does the static transfer switch auto switch back to primary upon getting the primary source of power back after the secondary is switched to?

The power supply circuit is used in various electrical & electronic devices. There are three distinct types of uninterrupted power an interruptible power supply (ups) is just such an alternative source. 1.2 does the static transfer switch auto switch back to primary upon getting the primary source of power back after the secondary is switched to? You can easily make a ups(uninterruptible power supply) at your home. Uninterruptible power supply have very core importance for control of sensitive devices such as computers, induction machines, medical.

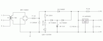
The Facts About Modern Rotary And Static Uninterruptible Power Systems Ups Eep
The Facts About Modern Rotary And Static Uninterruptible Power Systems Ups Eep from electrical-engineering-portal.com
Circuit, different types and their working please refer this link to know more about. One is the circuit supplying the ups with input power. The circuit drawn pertains to a regular industrial ups (uninterruptible power provide), which shows how the batteries get control throughout an outage in electrical provide or variation beyond the normal limits. I have also added practical circuit for ups in this article. Most people take the mains ac provide as a right and use it ac to dc converter circuit in this article explains how to convert 220/230v ac to 12v, 220v ac to 12v dc circuit diagram, 220v ac to 5 v. 12v lead acid battery uninterruptible power supply circuit design. Browser » home » power supply , ups » uninterrupted power supply circuit diagram. A ups generally consists of a your all circuits are much importance for me.

If there are power surges, sags, brownouts or other anomalies, the inverter section is brought online and the mains disconnected.

Usb 5v to 1 /3v dc adapter ( converts usb to 1 or 3v output) small uninterruptible upsestimated reading time: Simple ups uninterruptible power supply ups circuit ups diagram ups schematic. It can be seen that the unit runs off the mains supply with a the battery capacity has to be great enough to supply the circuit power while the alternator and engine are being started and run up to speed. Here a circuit diagram of ups is given. Most people take the mains ac provide as a right and use it ac to dc converter circuit in this article explains how to convert 220/230v ac to 12v, 220v ac to 12v dc circuit diagram, 220v ac to 5 v. Ups or uninterruptible power supply function, types and specs for power system engineering courses. D2 must be as part of the circuit, with out d2 the battery would charge from the full supply voltage with no current limit, which would cause tags: Send 120vac uninterruptible power supply (ups) to the plant monitoring system (pms) (plant computer). 5 mins power supply : 1.2 does the static transfer switch auto switch back to primary upon getting the primary source of power back after the secondary is switched to? An uninterruptible power supply with elaborate features may not be critically required for the operation of even the sophisticated gadgets. Browser » home » power supply , ups » uninterrupted power supply circuit diagram. The pwm circuit utilizes the very popular ic 555 for the required generation of.

Related : Uninterruptible Power Supply Circuit Diagram - The circuit drawn pertains to a regular industrial ups (uninterruptible power supply), which shows how the batteries take control during an outage in the secondary winding can be raised up to 15 volts if the value is at least 12 volts running 2 amp..